

Our engineering team designs and optimizes hydraulic, pneumatic, and mechanical solutions for mobile and industrial equipment. Whether you need a new design, a performance upgrade, or a fast return to service, we support your project from concept to production: design, calculations, component selection, manufacturing drawings, testing, and field support.
We work in demanding environments where reliability is critical: major mining sites, steel mills, the hydroelectric industry, and panel manufacturing plants (MDF, particle board, OSB / oriented strand board) where systems are often considered critical equipment.

From new cylinder manufacturing to design improvements during repair and rebuild, our engineering team helps you tailor cylinders to your operating conditions: loads, speed, duty cycle, environment, packaging constraints, and service-life targets.

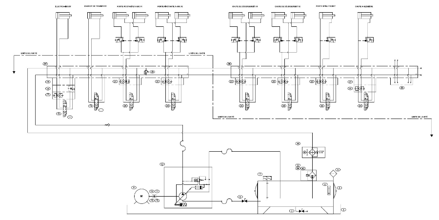
Rely on our team to engineer hydraulic power units (HPUs) and custom hydraulic/pneumatic systems built for real operating conditions. Our systems are installed on major mining sites and in industrial operations where downtime is not an option.
We design and integrate:

121 des Métiers Street
Amos, Qc J9T 4M4
819 732-5327
819 727-6970 (emergency)


